メルセデス・ベンツ キーレスエントリー化DIYキットW463Gクラス専用です!LB-403 Atype (4)

メルセデス・ベンツ キーレスエントリー化DIYキットW463Gクラス専用です!LB-403 Atype (4) 收藏

当前价格: 16800 日元(合 818.16 人民币)

一口价: 16800 (合 818.16 人民币)

剩余时间:193318.9368434

商品原始页面

成为包月会员,竞拍更便捷

出价竞拍

一口价

预约出价

收藏商品

收藏卖家

费用估算

拍卖号:h1176657714

开始时间:11/13/2025 22:13:42

个 数:1

结束时间:11/20/2025 21:13:42

商品成色:新品

可否退货:可

提前结束:可

日本邮费:卖家承担

自动延长:不可

最高出价:

出价次数:0

卖家账号:handyman-nob 收藏卖家

店铺卖家:不是

发货地:大阪府

店家评价:好评:1475 差评:3 拉黑卖家

卖家其他商品: 查看

  • 1、【自动延长】:如果在结束前5分钟内有人出价,为了让其他竞拍者有时间思考,结束时间可延长5分钟。
  • 2、【提前结束】:卖家觉得达到了心理价位,即使未到结束时间,也可以提前结束。
  • 3、参考翻译由网络自动提供,仅供参考,不保证翻译内容的正确性。如有不明,请咨询客服。
  • 4、本站为日拍、代拍平台,商品的品质和卖家的信誉需要您自己判断。请谨慎出价,竞价成功后订单将不能取消。
  • 5、违反中国法律、无法邮寄的商品(注:象牙是违禁品,受《濒临绝种野生动植物国际贸易公约》保护),本站不予代购。
  • 6、邮政国际包裹禁运的危险品,邮政渠道不能发送到日本境外(详情请点击), 如需发送到日本境外请自行联系渠道。
ネオクラシックベンツを愛する方へ
キーレス化したいけど実際うまく出来るか不安だと躊躇されている方へ
私もネオクラシックベンツを愛する者の一人として、W124/W201などのキーレスエントリー化するに当たり汎用キーレス回路の説明書が分かりづらく、また車体側の仕様もよくわからないまま施工しW201のキーレス化作業に当初3時間ほどの作業と予想していたにもかかわらず。実質2日ほどかかった経験があります。キーレス化したいけど実際うまく出来るか不安だと躊躇されている方も多いと思います。そこで、誰でも失敗しない「旧ベンツ車のキーレスエントリー化DIYキット」をご案内いたします。

☆☆このキットを使ってできること☆☆
本キーレスセットはW463Gクラス専用です。
本セットを使えば①キーレスエントリーと②オートセントラル・ドアクローズ機能(発車して15秒ぐらいで自動ロックが掛ります。また車を停車エンジンを止めるとロックが解除される。)③車両確認応答(リモコンキーを3秒以上押すと離れた位置にある車両のハザードが5回点滅アンサーバックする)が可能になります。

★このキットを使えば失敗なく一発で取り付けできますので配線引き回しなどもきれいな仕上がりとなると思います。ヒューズをむやみに飛ばしたり、キーレス回路を壊してしまったり、最悪の場合CPUを壊すリスクが回避できます。
★こんな方なら大丈夫~
カーステレオの配線を触ったことがある、あるいはご自分でライトをハロゲンからLEDに変更した程度の知識の方で十分出来るようキットはできています。
★キーレスエントリー化施工に必要な部品は別途買い揃えるものは一部延長用線材程度です。ほぼこのキットだけで大丈夫です。
★工具はドライバー、ラジオペンチ、ニッパー、テスター程度があればOKです。
★車両側への取り付け作業は前席周りのキックパネルを外して8本つなぎこみ(手順詳細は写真付きの取付手順書に記載しています)と本キーレスエントリー化DIYキットの配線を説明書の指示通りに角形タップコネクタでつなぎこむだけです。
★私が書いた施工マニュアルを読みながら作業すれば、2時間ほどで取り付け完了できると思います。車屋さんにキーレス化を依頼するよりDIYでご自分で取りつけうまく行ったときの感動は最高ですよね。
生産されてから30年ほどドアの開閉もエンジンON/OFFもあの細いキー一本で行ってきたわけで、最近の軽トラでさえもキーレスでドアの開閉が出来る当たり前のことが出来るようになります。
是非試してください質問欄から何なりとご質問ください。取り付け完了までフォローアップいたしますのでご安心ください。

★youtubeにW201ですが回路キットの動作の動画をアップしました。
https://youtu.be/pDlJJvLn21w
良ければ覗いてみてください。

私が書いた接続説明書と取付実態図をもとに作業すれば2時間ほどで作業完了すると思います。またうまくいくまでメールでサポート致します。また、お近くでしたら(大阪なら北摂、長野県なら白馬村)まで来ていただいたらお手伝い出来ると思います。
ユニットの大きさは8.0X9.0X4.0cm ダッシュボード付近のスペースに格納できます。
車体との接続線全8本
車体側との接続のため角形タップコネクタ8個付けておきました。特別な工具無しで接続できます。
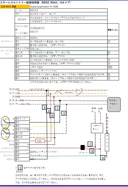
実体配線図には車体側の配線の色と信号の種類を表示しまた各クイックコネクタには実体配線図上のコネクタ番号を表示し間違いなく配線できるようにしました。

【製品構成】
①キーレスコントロールユニット本体(旧ベンツ車対応配線処理済み、車体側へ接続する各線には適合した接続用クイックコネクタを取付と行き先表示済み。)
②リモコンキー2個(スリーポインテッド・スター・ベンツマーク付き) 
注;ジャックナイフ型リモコンキーはキーブレードが交換可能ですので適合したブランクキーブレード(別途出品中)を鍵屋さんで加工して貰えばジャックナイフ型スペアキーとしても使えます。
ブレード交換方法は、リモコンキーブレード交換手順書(私が書きました)を同封しました。
③車体配線確認用LED付きT型タップコネクタ
車体配線の電圧確認、配線に流れる動作状況モニター用のLED付き試験ケーブルです。(私が作りました。使い方の取説も同梱いたしました)
④旧ベンツ車専用取り付け用各種配線用コネクタ、延長線など。(私が準備しました)
⑤BENZ_W463キーレスエントリー「車体への取り付け作業手順書」(A4版5ページ)(私が書きました)
⑥BENZ_W463配線説明書【LB-403】回路(A4版1ページ)(私が書きました)
⑦車両ドアのスリーポインテッド・スター・キーホールカバー(ドアキーホールは使わなくなりますのでこれでカバーします。
⑧リモコンキーブレード交換手順書(A5版1ページ)(私が書きました)
⑨リモコンキー電池交換方法説明書
⑩キーレスユニットへのリモコンキー再登録方法(もしものために)
【本ユニット取り付け後の動作】 
①離れたところからリモコンキーのオープンボタンを押すと。ハザードが2回点滅(アンサーバック)しドアロック解除します。
②車に乗り込んでフットブレーキを踏みPレンジでエンジンスタート。通常通り
③フットブレーキを踏みDレンジに。通常通り
④走り出して15秒以上経過以降にフットブレーキを踏んだときドアロックが働きます(オートドアロック)。
⑤目的地に着いてエンジンを切る(ACCオフ)とドアロックが解除されます。
⑥エンジンキーを抜いて車から降りてリモコンキーのクローズボタンを押すと、ハザードが1回点滅(アンサーバック)しロックします。
⑦ドアロックしての駐車中は青のインジケーターLEDが点滅し続けドアロック中を示しています。
注;運転中にオートドアロックをもし解除したいときは、リモコンキーのオープンボタンを押すと解除されます。

★Cartuneに先日ベンツ愛好家の友人と彼のW201へ二人で別のキーレスユニットですがインストールした手順をアップしてくれました。良ければ覗いてみてください。
 https://cartune.me/notes/N1Inf9Aadi
今回ご用意したキーレスエントリーユニットは、このとき使用したものより旧ベンツ車にフィットしたものを選びました。

★出品商品は【写真1~3】に写っているものです。他の写真は説明用に載せました。
★DIYキットは旧ベンツ車に適したものを購入し私のハンドメイドで下準備をしたものです。旧BENZ車用に配線処理後動作チェックと外観検査をし、納得したもののみ出品しております。
★交換に関してご自分でDIYで交換できるよう、説明書と取り付け実態図を同封しております。
★送料無料です。
★【適合確認について】
本キットが適合するのは、W463Gクラスのみです。
すべての年式のGクラスに適合しない可能性もありますのでご入札時に年式及び車検証番号下(3桁は不要です)をお知らせください適合確認いたします。W463Gクラス以外のベンツ車についても今後出品する予定ですのでご期待ください。
★落札いただいた方には、うまくいくまでメールにてサポートいたしますのでご安心ください。取引評価欄の出品での評価を御覧いただきましたら安心して落札いただけると思います。

【最後に】
同じオールドベンツ・フリークのみなさんと情報共有し共に大切に維持していきたいと思っております。

出价者 信用 价格 时间

推荐